装配式混凝土建筑施工图审查要点发布
继发布装配式建筑技术规范征求意见、装配式建筑工程消耗量定额后,近日住建部再次印发《装配式混凝土结构建筑工程施工图设计文件技术审查要点》(全文附后)。
推广装配式建筑不仅需要有标准,具体如何执行也很重要。据住建部相关负责人介绍,虽然此前已有通用的施工图审查相关规定,但因为装配式建筑有其特殊的技术要求,所以这次出台该要点,就是为了加强装配式建筑的相关要求在施工图审查中的落实。值得注意的是,装配式混凝土结构建筑工程施工图设计文件的审查,除应符合该要点的要求外,还要符合《建筑工程施工图设计文件技术审查要点》的要求哦~
装配式混凝土结构建筑
工程施工图设计文件技术审查要点
前 言
受住房和城乡建设部工程质量安全监管司委托,中设建科(北京)建筑工程咨询有限公司组织本公司从事施工图审查工作的专家,并邀请中国建筑设计院有限公司从事装配式混凝土建筑工程设计的专家,经过广泛的调查研究,认真总结了装配式混凝土建筑工程施工图设计文件审查实践经验,深入研究了《装配式混凝土结构技术规程》(JGJ 1-2014)的制定原则和内容,在广泛征求住房城乡建设主管部门及从事装配式混凝土建筑工程建设的有关专家意见的基础上,编制了《装配式混凝土结构建筑工程施工图设计文件技术审查要点》(以下简称“本要点”)。
一、总 则
1.0.1 为指导和规范装配式混凝土结构建筑工程施工图设计文件的审查工作,根据相关法规(本要点所称法规系法律、法规、部门规章和政府主管部门的规范性文件的总称)和《装配式混凝土结构技术规程》JGJ 1-2014(以下简称JGJ 1-2014)编制本要点。
1.0.2 装配式混凝土结构建筑工程施工图设计文件的审查,除应符合本要点的要求外,尚应符合《建筑工程施工图设计文件技术审查要点》(建质[2013]87号)的要求。
1.0.3 本要点适用于民用建筑抗震设防烈度为6度至8度抗震设计的装配式混凝土结构建筑工程施工图设计文件的技术审查。
1.0.4 本要点的装配式混凝土结构包括:装配整体式框架结构、装配整体式剪力墙结构、装配整体式框架-现浇剪力墙结构、装配整体式部分框支剪力墙结构,以及多层装配式剪力墙结构。
1.0.5 当房屋高度、规则性、结构类型、结构装配方案和预制构件连接类型等超过JGJ1-2014的规定时,应进行专门研究和论证。
1.0.6 本要点列入了JGJ 1-2014中的强制性条文。其它工程建设标准中的强制性条文,本要点从略。
本要点列入的工程建设标准一般性条文原则上是与结构安全及工程建设标准强制性条文有关的条文。本要点所列审查内容是保证工程设计质量的基本要求,并不是工程设计的全部内容。设计单位和设计人员应全面执行工程建设标准和法规的有关规定。
1.0.7 装配式混凝土结构建筑工程结构专业设计图纸包括结构施工图和预制构件制作详图。本要点内容仅涉及装配式混凝土结构施工图设计文件审查。结构施工图除应满足计算和构造要求外,其设计内容和深度还应满足预制构件制作详图编制和安装施工的要求。当提交审查的施工图为结构施工图和预制构件制作详图合一时,可根据本要点对属于结构施工图的内容进行技术审查。
1.0.8 当采用经鉴定合格的适用于装配式混凝土结构的计算程序进行结构计算、分析时,可不对本要点中与计算公式有关的条文再进行审查。
1.0.9 除本要点内容外,审查尚应包括现行有关地方法规规定的内容。
1.0.10 本要点发布后,如有新版相关法规和工程建设标准实施,应以新版法规和工程建设标准为准。
二、建筑专业审查要点

三、结构专业审查要点
| 序号 | 审查项目 | 审查内容 | |||||||||||||||||||||||||||||||||||||||||||||||||||||||||||||||||||||||||||||||||||||||||||||||||||||||||||||||||||||||||||||||
| 3.1 | 强制性条文 | 《装配式混凝土结构技术规程》JGJ 1-2014 6.1.3 装配整体式结构构件的抗震设计,应根据设防类别、烈度、结构类型和房屋高度采用不同的抗震等级,并应符合相应的计算和构造措施要求。丙类装配整体式结构的抗震等级应按表6.1.3确定。
表6.1.3 丙类装配整体式结构的抗震等级
注:大跨度框架指跨度不小于18m的框架。 11.1.4 预制结构构件采用钢筋套筒灌浆连接时,应在构件生产前进行钢筋套筒灌浆连接接头的抗拉强度试验,每种规格的连接接头试件数量不应少于3个。 | |||||||||||||||||||||||||||||||||||||||||||||||||||||||||||||||||||||||||||||||||||||||||||||||||||||||||||||||||||||||||||||||
| 3.2 | 法规 | 采用装配式建造的建筑工程的预制率和(或)装配率应符合相关法规规定的要求。 | |||||||||||||||||||||||||||||||||||||||||||||||||||||||||||||||||||||||||||||||||||||||||||||||||||||||||||||||||||||||||||||||
| 3.3 | 设计文件 编制要求 | ||||||||||||||||||||||||||||||||||||||||||||||||||||||||||||||||||||||||||||||||||||||||||||||||||||||||||||||||||||||||||||||||
| 3.3.1 | 结构设计 说明 | 除住建部《建筑工程施工图设计文件技术审查要点》设计总说明的要求外,尚应补充以下内容: | |||||||||||||||||||||||||||||||||||||||||||||||||||||||||||||||||||||||||||||||||||||||||||||||||||||||||||||||||||||||||||||||
| 序号 | 审查项目 | 审查内容 | |||||||||||||||||||||||||||||||||||||||||||||||||||||||||||||||||||||||||||||||||||||||||||||||||||||||||||||||||||||||||||||||
| 3.3.1 | 结构设计 说明 | 1、预制构件种类、制作和安装施工说明,包括对材料、质量检验、运输、堆放、存储和安装施工要求等; 2、预制构件制作详图的深化设计要求,包括预制构件制作、运输、存储、吊装和安装定位、连接施工等阶段的复核计算要求和预设连接件、预埋件、临时固定支撑等的设计要求。 | |||||||||||||||||||||||||||||||||||||||||||||||||||||||||||||||||||||||||||||||||||||||||||||||||||||||||||||||||||||||||||||||
| 3.3.2 | 结构施工图 | 应根据建设项目的具体情况,增加如下设计内容: 1、预制构件的平面布置图,包括预制构件编号、节点索引、明细表等内容; 2、预制构件模板图; 3、预制构件配筋图; 4、预制构件连接构造大样图; 5、建筑、机电设备、精装修等专业在预制构件上的预留洞口、预埋管线、预埋件和连接件等的设计综合图; 6、预制构件制作、安装施工的质量验收要求; 7、连接节点施工质量检测、验收要求。 | |||||||||||||||||||||||||||||||||||||||||||||||||||||||||||||||||||||||||||||||||||||||||||||||||||||||||||||||||||||||||||||||
| 《装配式混凝土结构技术规程》JGJ 1-2014 | |||||||||||||||||||||||||||||||||||||||||||||||||||||||||||||||||||||||||||||||||||||||||||||||||||||||||||||||||||||||||||||||||
| 3.4 | 材料 | 4.1.2 预制构件的混凝土强度等级不宜低于C30;预应力混凝土预制构件的混凝土强度等级不宜低于C40,且不应低于C30;现浇混凝土的强度等级不应低于C25。 4.1.3 普通钢筋采用套筒灌浆连接和浆锚搭接连接时,钢筋应采用热轧带肋钢筋。 4.2.1 钢筋套筒灌浆连接接头采用的套筒应符合现行行业标准《钢筋连接用灌浆套筒》JG/T 398的规定。 4.2.2 钢筋套筒灌浆连接接头采用的灌桨料应符合现行行业标准《钢筋连接用套筒灌浆料》JG/T 408的规定。 编者注:钢筋套筒灌浆连接接头尚应符合《钢筋套筒灌浆连接应用技术规程》JGJ 335-2015的规定。 | |||||||||||||||||||||||||||||||||||||||||||||||||||||||||||||||||||||||||||||||||||||||||||||||||||||||||||||||||||||||||||||||
| 3.5 | 结构设计 基本规定 | ||||||||||||||||||||||||||||||||||||||||||||||||||||||||||||||||||||||||||||||||||||||||||||||||||||||||||||||||||||||||||||||||
| 3.5.1 | 适用高度 | 6.1.1装配整体式框架结构、装配整体式剪力墙结构、装配整体式框架-现浇剪力墙结构、装配整体式部分框支剪力墙结构的房屋最大适用高度应满足表6.1.1的要求,并应符合下列规定: 1 当结构中竖向构件全部为现浇且楼盖采用叠合梁板时,房屋的最大适用高度可按现行行业标准《高层建筑混凝土结构技术规程》JGJ 3中的规定采用。 2 装配整体式剪力墙结构和装配整体式部分框支剪力墙结构,在规定的水平力作用下,当预制剪力墙构件底部承担的总剪力大于该层总剪力的50%时, | |||||||||||||||||||||||||||||||||||||||||||||||||||||||||||||||||||||||||||||||||||||||||||||||||||||||||||||||||||||||||||||||
| 序号 | 审查项目 | 审查内容 | |||||||||||||||||||||||||||||||||||||||||||||||||||||||||||||||||||||||||||||||||||||||||||||||||||||||||||||||||||||||||||||||
| 3.5.1 | 适用高度 | 其最大适用高度应适当降低;当预制剪力墙构件底部承担的总剪力大于该层总剪力的80%时,最大适用高度应取表6.1.1中括号内的数值。
表6.1.1 装配整体式结构房屋的最大适用高度(m)
注:房屋高度指室外地面到主要屋面的高度,不包括局部突出屋顶的部分。 6.1.2高层装配整体式结构的高宽比不宜超过表6.1. 2的数值。
表6.1.2 高层装配整体或结构适用的最大高宽比
8.1.3 抗震设计时,高层装配整体式剪力墙结构不应全部采用短肢剪力墙;抗震设防烈度为8度时,不宜釆用具有较多短肢剪力墙的剪力墙结构。当采用具有较多短肢剪力墙的剪力墙结构时,应符合下列规定: 1 在规定的水平地震作用下,短肢剪力墙承担的底部倾覆力矩不宜大于结构底部总地震倾覆力矩的50%; 2 房屋适用高度应比本规程表6. 1.1规定的装配整体式剪力墙结构的最大适用高度适当降低,抗震设防烈度为7度和8度时宜分别降低20m。 注:1 短肢剪力墙是指截面厚度不大于300mm、各肢截面高度与厚度之比的最大值大于4但不大于8的剪力墙; 2 具有较多短肢剪力墙的剪力墙结构是指,在规定的水平地震作用下,短肢剪力墙承担的底部倾覆力矩不小于结构底部总地震倾覆力矩的30%的剪力墙结构。 | |||||||||||||||||||||||||||||||||||||||||||||||||||||||||||||||||||||||||||||||||||||||||||||||||||||||||||||||||||||||||||||||
| 3.5.2 | 现浇混凝土要求 | 6.1.8 高层装配整体式结构应符合下列规定: 2 剪力墙结构底部加强部位的剪力墙宜采用现浇混凝土; 3框架结构首层柱宜采用现浇混凝土,顶层宜采用现浇楼盖结构。 6.1.9 带转换层的装配整体式结构应符合下列规定: 1当采用部分框支剪力墙结构时,底部框支层不宜超过2层,且框支层及相邻上一层应采用现浇结构; 2 部分框支剪力墙以外的结构中,转换梁、转换柱宜现浇。 6.6.1 结构转换层、平面复杂或开洞较大的楼层、作为上部结构嵌固部位的地下室楼层宜采用现浇楼盖。 | |||||||||||||||||||||||||||||||||||||||||||||||||||||||||||||||||||||||||||||||||||||||||||||||||||||||||||||||||||||||||||||||
| 序号 | 审查项目 | 审查内容 | |||||||||||||||||||||||||||||||||||||||||||||||||||||||||||||||||||||||||||||||||||||||||||||||||||||||||||||||||||||||||||||||
| 3.5.3 | 计算规定 | 6.1.11 抗震设计时,构件及节点的承载力抗震调整系数γRE应按表6.1.11采用;当仅考虑竖向地震作用组合时,承载力抗震调整系数γRE应取1.0。预埋件锚筋截面计算的承载力抗震调整系数γRE应取为1.0。 表6.1.11 构件及节点承载力抗震调整系数γRE
6.5.1 装配整体式结构中,接缝的正截面承载力应符合现行国家标准《混凝土结构设计规范》GB50010的规定。接缝的受剪承载力应符合下列规定: 1 持久设计状况: γ0Vjd ≤ Vu (6.5.1-1) 2 地震设计状况: ≤/γRE (6.5.1-2) 在梁、柱端部箍筋加密区及剪力墙底部加强部位,尚应符合下式要求: ηj≤ (6.5.1-3) 式中:γ0 ——结构重要性系数,安全等级为一级时不应小于1.1,安全等级为二级时不应小于1.0; Vjd ——持久设计状况下接缝剪力设计值; VjdE——地震设计状况下接缝剪力设计值; Vu ——持久设计状况下梁端、柱端、剪力墙底部接缝受剪承载力设计值; VuE——地震设计状况下梁端、柱端、剪力墙底部接缝受剪承载力设计值; Vmua ——被连接构件端部按实配钢筋面积计算的斜截面受剪承载力设计值; ηj ——接缝受剪承载力增大系数,抗震等级为一、二级取1.2,抗震等级为三、四级取1.1。 6.5.7 应对连接件、焊缝、螺栓或铆钉等紧固件在不同设计状况下的承载力进行验算。 | |||||||||||||||||||||||||||||||||||||||||||||||||||||||||||||||||||||||||||||||||||||||||||||||||||||||||||||||||||||||||||||||
| 3.5.4 | 接缝材料 要求 | 6.1.12 预制构件节点及接缝处后浇混凝土强度等级不应低于预制构件的混凝土强度等级;多层剪力墙结构中墙板水平接缝用坐浆材料的强度等级值应大于被连接构件的混凝土强度等级值。 | |||||||||||||||||||||||||||||||||||||||||||||||||||||||||||||||||||||||||||||||||||||||||||||||||||||||||||||||||||||||||||||||
| 序号 | 审查项目 | 审查内容 | |||||||||||||||||||||||||||||||||||||||||||||||||||||||||||||||||||||||||||||||||||||||||||||||||||||||||||||||||||||||||||||||
| 3.5.5 | 耐久性 | 6.1.13 预埋件和连接件等外露金属件应按不同环境类别进行封闭或防腐、防锈、防火处理,并应符合耐久性要求。 | |||||||||||||||||||||||||||||||||||||||||||||||||||||||||||||||||||||||||||||||||||||||||||||||||||||||||||||||||||||||||||||||
| 3.5.6 | 位移限值 | 6.3.3 按弹性方法计算的风荷载或多遇地震标准值作用下的楼层层间最大位移△u与层高h之比的限值宜按表6.3.3采用。
表6.3.3 楼层层间最大位移与层高之比的限值
| |||||||||||||||||||||||||||||||||||||||||||||||||||||||||||||||||||||||||||||||||||||||||||||||||||||||||||||||||||||||||||||||
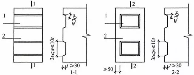
| 3.5.7 | 连接规定 | 6.4.4 用于固定连接件的预埋件与预埋吊件、临时支撑用预埋件不宜兼用;当兼用时,应同时满足各种设计工况要求。预制构件中预埋件的验算应符合现行国家标准《混凝土结构设计规范》GB 50010、《钢结构设计规范》GB 50017和《混凝土结构工程施工规范》GB 50666等有关规定。 6.5.3 纵向钢筋采用套筒灌浆连接时,应符合下列规定: 1 接头应满足行业标准《钢筋机械连接技术规程》JGJ 107-2010中I级接头的性能要求,并应符合国家现行有关标准的规定; 2预制剪力墙中钢筋接头处套筒外侧钢筋的混凝土保护层厚度不应小于15mm,预制柱中钢筋接头处套筒外侧箍筋的混凝土保护层厚度不应小于20mm; 3套筒之间的净距不应小于25mm。 6.5.4 纵向钢筋采用浆锚搭接连接时,对预留孔成孔工艺、孔道形状和长度、构造要求、灌浆料和被连接钢筋,应进行力学性能以及适用性的试验验证。直径大于20mm的钢筋不宜采用浆锚搭接连接,直接承受动力荷载构件的纵向钢筋不应采用浆锚搭接连接。 6.5.5 预制构件与后浇混凝土、灌浆料、坐浆材料的结合面应设置粗糙面、键槽,并应符合下列规定: 1 预制板与后浇混凝土叠合层之间的结合面应设置粗糙面。 2 预制梁与后浇混凝土叠合层之间的结合面应设置粗糙面;预制梁端面应设置键槽(图6.5.5)且宜设置粗糙面。键槽的尺寸和数量应按本规程第7.2.2条的规定计算确定。 3 预制剪力墙的顶部和底部与后浇混凝土的结合面应设置粗糙面;侧面与后浇混凝土的结合面应设置粗糙面,也可设置键槽。 4 预制柱的底部应设置键槽且宜设置粗糙面,键槽应均匀布置。柱顶应设置粗糙面。 5 粗糙面的面积不宜小于结合面的80%,预制板的粗糙面凹凸深度不应小于4mm,预制梁端、预制柱端、预制墙端的粗糙面凹凸深度不应小于6mm。 | |||||||||||||||||||||||||||||||||||||||||||||||||||||||||||||||||||||||||||||||||||||||||||||||||||||||||||||||||||||||||||||||
| 序号 | 审查项目 | 审查内容 | |||||||||||||||||||||||||||||||||||||||||||||||||||||||||||||||||||||||||||||||||||||||||||||||||||||||||||||||||||||||||||||||
| 3.5.7 | 连接规定 |
(a)键槽贯通截面 (b)键槽不贯通截面 图6.5.5 梁端键槽构造示意 1—键槽;2—梁端面 | |||||||||||||||||||||||||||||||||||||||||||||||||||||||||||||||||||||||||||||||||||||||||||||||||||||||||||||||||||||||||||||||
| 3.5.8 | 楼梯 | 6.4.3 预制板式楼梯的梯段板底应配置通长的纵向钢筋。板面宜配置通长的纵向钢筋;当楼梯两端均不能滑动时,板面应配置通长的纵向钢筋。 6.5.8 预制楼梯与支承构件之间宜采用简支连接。采用简支连接时,应符合下列规定: 1 预制楼梯宜一端设置固定铰,另一端设置滑动铰,其转动及滑动变形能力应满足结构层间位移的要求,且预制楼梯端部在支承构件上的最小搁置长度应符合表6. 5. 8的规定; 2 预制楼梯设置滑动铰的端部应采取防止滑落的构造措施。
表6.5.8预制楼梯在支承构件上的最小搁置长度
| |||||||||||||||||||||||||||||||||||||||||||||||||||||||||||||||||||||||||||||||||||||||||||||||||||||||||||||||||||||||||||||||
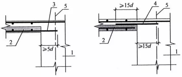
| 3.5.9 | 叠合板 | 6.6.2 叠合板应按现行国家标准《混凝土结构设计规范》GB 50010进行设计,并应符合下列规定: 1 叠合板的预制板厚度不宜小于60mm,后浇混凝土叠合层厚度不应小于60mm; 2 当叠合板的预制板采用空心板时,板端空腔应封堵; 6.6.4 叠合板支座处的纵向钢筋应符合下列规定: 1 板端支座处,预制板内的纵向受力钢筋宜从板端伸出并锚入支承梁或墙的后浇混凝土中,锚固长度不应小于5d (d为纵向受力钢筋直径),且宜伸过支座中心线(图6. 6.4a);
| |||||||||||||||||||||||||||||||||||||||||||||||||||||||||||||||||||||||||||||||||||||||||||||||||||||||||||||||||||||||||||||||
| 序号 | 审查项目 | 审查内容 | |||||||||||||||||||||||||||||||||||||||||||||||||||||||||||||||||||||||||||||||||||||||||||||||||||||||||||||||||||||||||||||||
| 3.5.9 | 叠合板 |
(a)板端支座 (b)板侧支座 图6.6.4叠合板端及板侧支座构造示意 1—支承梁或墙;2—预制板;3—纵向受力钢筋; 4—附加钢筋;5—支座中心线
2 单向叠合板的板侧支座处,当预制板内的板底分布钢筋伸入支承梁或墙的后浇混凝土中时,应符合本条第1款的要求;当板底分布钢筋不伸入支座时,宜在紧邻预制板顶面的后浇混凝土叠合层中设置附加钢筋,附加钢筋截面面积不宜小于预制板内的同向分布钢筋面积,间距不宜大于600mm,在板的后浇混凝土叠合层内锚固长度不应小于15d,在支座内锚固长度不应小于15d(d为附加钢筋直径)且宜伸过支座中心线(图6.6.4b)。 6.6.5 单向叠合板板侧的分离式接缝宜配置附加钢筋(图6.6.5),并应符合下列规定: 1 接缝处紧邻预制板顶面宜设置垂直于板缝的附加钢筋,附加钢筋伸入两侧后浇混凝土叠合层的锚固长度不应小于15d(d为附加钢筋直径); 2 附加钢筋截面面积不宜小于预制板中该方向钢筋面积,钢筋直径不宜小于6mm、间距不宜大于250mm。
图6.6.5 单向叠合板板侧分离式拼缝构造示意 1—后浇混凝土叠合层;2—预制板; 3—后浇层内钢筋;4—附加钢筋
6.6.6 双向叠合板板侧的整体式接缝宜设置在叠合板的次要受力方向上且宜避开最大弯矩截面。接缝可采用后浇带形式,并应符合下列规定: 3 当后浇带两侧板底纵向受力钢筋在后浇带中弯折锚固时(图6.6.6),应符合下列规定: | |||||||||||||||||||||||||||||||||||||||||||||||||||||||||||||||||||||||||||||||||||||||||||||||||||||||||||||||||||||||||||||||
| 序号 | 审查项目 | 审查内容 | |||||||||||||||||||||||||||||||||||||||||||||||||||||||||||||||||||||||||||||||||||||||||||||||||||||||||||||||||||||||||||||||
| 3.5.9 | 叠合板 | 1) 叠合板厚度不应小于10d,且不应小于120mm(d为弯折钢筋直径的较大值); 2) 接缝处预制板侧伸出的纵向受力钢筋应在后浇混凝土叠合层内锚固,且锚固长度不应小于la;两侧钢筋在接缝处重叠的长度不应小于10d,钢筋弯折角度不应大于30°,弯折处沿接缝方向应配置不少于2根通长构造钢筋,且直径不应小于该方向预制板内钢筋直径。 图6.6.6 双向叠合板整体式拼缝构造示意 1—通长构造钢筋;2—纵向受力钢筋;3—预制板; 4—后浇混凝土叠合层;5—后浇层内钢筋
6.6.7 桁架钢筋混凝土叠合板应满足下列要求: 1 桁架钢筋应沿主要受力方向布置; 2 桁架钢筋距板边不应大于300mm,间距不宜大于600mm; 3 桁架钢筋弦杆钢筋直径不宜小于8mm,腹杆钢筋直径不应小于4mm; 4 桁架钢筋弦杆混凝土保护层厚度不应小于15mm。 6.6.10 阳台板、空调板宜采用叠合构件或预制构件。预制构件应与主体结构可靠连接;叠合构件的负弯矩钢筋应在相邻叠合板的后浇混凝土中可靠锚固,叠合构件中预制板底钢筋的锚固应符合下列规定: 1 当板底为构造配筋时,其钢筋锚固应符合本规程第6.6.4条第1款的规定; 2 当板底为计算要求配筋时,钢筋应满足受拉钢筋的锚固要求。 | |||||||||||||||||||||||||||||||||||||||||||||||||||||||||||||||||||||||||||||||||||||||||||||||||||||||||||||||||||||||||||||||
| 3.6 | 框架结构 设计 | ||||||||||||||||||||||||||||||||||||||||||||||||||||||||||||||||||||||||||||||||||||||||||||||||||||||||||||||||||||||||||||||||
| 3.6.1 | 一般规定 | 7.1.2 装配整体式框架结构中,预制柱的纵向钢筋连接应符合下列规定: 2当房屋高度大于12m或层数超过3层时,宜采用套筒灌浆连接。 7.1.3 装配整体式框架结构中,预制柱水平接缝处不宜出现拉力。 | |||||||||||||||||||||||||||||||||||||||||||||||||||||||||||||||||||||||||||||||||||||||||||||||||||||||||||||||||||||||||||||||
| 3.6.2 | 接缝计算 | 7.2.2 叠合梁端竖向接缝的受剪承载力设计值应按下列公式计算: 1 持久设计状况 Vu = 0. 07fc Ac1 + 0.10fc Ak + 1.65Asd | |||||||||||||||||||||||||||||||||||||||||||||||||||||||||||||||||||||||||||||||||||||||||||||||||||||||||||||||||||||||||||||||
| 序号 | 审查项目 | 审查内容 | |||||||||||||||||||||||||||||||||||||||||||||||||||||||||||||||||||||||||||||||||||||||||||||||||||||||||||||||||||||||||||||||
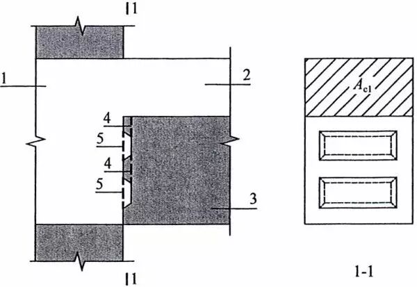
| 3.6.2 | 接缝计算 | 2 地震设计状况 VuE = 0. 04fc Ac1 + 0.06fc Ak + 1.65Asd 式中:Ac1——叠合梁端截面后浇混凝土叠合层截面面积; fc——预制构件混凝土轴心抗压强度设计值; fy——垂直穿过结合面钢筋抗拉强度设计值; Ak——各键槽的根部截面面积(图7.2.2)之和,按后浇键槽根部截面和预制键槽根部截面分别计算,并取二者的较小值; Asd——垂直穿过结合面所有钢筋的面积,包括叠合层内的纵向钢筋。 图7.2.2 叠合梁端受剪承载力计算参数示意 1—后浇节点区;2—后浇混凝土叠合层;3—预制梁; 4—预制键槽根部截面;5—后浇键槽根部截面
7.2.3 在地震设计状况下,预制柱底水平接缝的受剪承载力设计值应按下列公式计算: 当预制柱受压时: VuE= 0. 8N + 1.65Asd 当预制柱受拉时: VuE= 1.65Asd 式中:fc——预制构件混凝土轴心抗压强度设计值; fy——垂直穿过结合面钢筋抗拉强度设计值; N——与剪力设计值V相应的垂直于结合面的轴向力设计值,取绝对值进行计算; Asd——垂直穿过结合面所有钢筋的面积; VuE——地震设计状况下接缝受剪承载力设计值。 | |||||||||||||||||||||||||||||||||||||||||||||||||||||||||||||||||||||||||||||||||||||||||||||||||||||||||||||||||||||||||||||||
| 3.6.3 | 叠合梁 | 7.3.2 叠合梁的箍筋配置应符合下列规定: 1抗震等级为一、二级的叠合框架梁的梁端箍筋加密区宜采用整体封闭箍筋(图7. 3. 2a); | |||||||||||||||||||||||||||||||||||||||||||||||||||||||||||||||||||||||||||||||||||||||||||||||||||||||||||||||||||||||||||||||
| 序号 | 审查项目 | 审查内容 | |||||||||||||||||||||||||||||||||||||||||||||||||||||||||||||||||||||||||||||||||||||||||||||||||||||||||||||||||||||||||||||||
| 3.6.3 | 叠合梁 | 2 采用组合封闭箍筋的形式(图7. 3. 2b)时,开口箍筋上方应做成135°弯钩;非抗震设计时,弯钩端头平直段长度不应小于5d(d为箍筋直径);抗震设计时,平直段长度不应小于10d。现场应采用箍筋帽封闭开口箍,箍筋帽末端应做成135°弯钩;非抗震设计时,弯钩端头平直段长度不应小于5d;抗震设计时,平直段长度不应小于10d。 (b)采用组合封闭箍筋的叠合梁
图7.3.2 叠合梁箍筋构造示意 1—预制梁;2—开口箍筋;3—上部纵向钢筋;4—箍筋帽
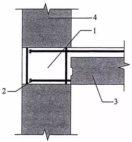
7.3.3 叠合梁可采用对接连接(图7.3.3),并应符合下列规定: 3后浇段内的箍筋应加密,箍筋间距不应大于5d(d为纵向钢筋直径),且不应大于100mm。 图7.3.3 叠合梁连接节点示意 1—预制梁;2—钢筋连接接头;3—后浇段 | |||||||||||||||||||||||||||||||||||||||||||||||||||||||||||||||||||||||||||||||||||||||||||||||||||||||||||||||||||||||||||||||
| 3.6.4 | 预制柱 | 7.3.5 预制柱的设计应符合现行国家标准《混凝土结构设计规范》GB 50010的要求,并应符合下列规定: | |||||||||||||||||||||||||||||||||||||||||||||||||||||||||||||||||||||||||||||||||||||||||||||||||||||||||||||||||||||||||||||||
| 序号 | 审查项目 | 审查内容 | |||||||||||||||||||||||||||||||||||||||||||||||||||||||||||||||||||||||||||||||||||||||||||||||||||||||||||||||||||||||||||||||
| 3.6.4 | 预制柱 | 3 柱纵向受力钢筋在柱底采用套筒灌浆连接时,柱箍筋加密区长度不应小于纵向受力钢筋连接区域长度与500mm之和;套筒上端第一道箍筋距离套筒顶部不应大于50mm(图7.3.5)。 图7.3.5 钢筋采用套筒灌浆连接时柱底箍筋加密区域构造示意 1—预制柱;2—套筒灌浆连接接头; 3—箍筋加密区(阴影区域);4—加密区箍筋 | |||||||||||||||||||||||||||||||||||||||||||||||||||||||||||||||||||||||||||||||||||||||||||||||||||||||||||||||||||||||||||||||
| 3.6.5 | 接缝和节点 | 7.3.6 采用预制柱及叠合梁的装配整体式框架中,柱底接缝宜设置在楼面标高处(图7.3.6),并应符合下列规定: 图7.3.6 预制柱底接缝构造示意 1—后浇节点区混凝土上表面粗糙面; 2—接缝灌浆层;3—后浇区
1 后浇节点区混凝土上表面应设置粗糙面; 2 柱纵向受力钢筋应贯穿后浇节点区; 3 柱底接缝厚度宜为20mm,并应采用灌浆料填实。
7.3.8 采用预制柱及叠合梁的装配整体式框架节点,梁纵向受力钢筋应伸入后浇节点区内锚固或连接,并应符合下列规定: 1 对框架中间层中节点,节点两侧的梁下部纵向受力钢筋宜锚固在后浇节点区内(图7.3.8-1a),也可采用机械连接或焊接的方式直接连接(图7.3.8-1b);梁的上部纵向受力钢筋应贯穿后浇节点区。
| |||||||||||||||||||||||||||||||||||||||||||||||||||||||||||||||||||||||||||||||||||||||||||||||||||||||||||||||||||||||||||||||
| 序号 | 审查项目 | 审查内容 | |||||||||||||||||||||||||||||||||||||||||||||||||||||||||||||||||||||||||||||||||||||||||||||||||||||||||||||||||||||||||||||||
| 3.6.5 | 接缝和节点 |
图7.3.8-1 预制柱及叠合梁框架中间层中节点构造示意 1—后浇区;2—梁下部纵向受力钢筋连接;3—预制梁; 4—预制柱;5—梁下部纵向受力钢筋锚固
2 对框架中间层端节点,当柱截面尺寸不满足梁纵向受力钢筋的直线锚固要求时,宜采用锚固板锚固(图7.3.8-2),也可采用90°弯折锚固。 3 对框架顶层中节点,梁纵向受力钢筋的构造应符合本条第1款的规定。柱纵向受力钢筋宜采用直线锚固;当梁截面尺寸不满足直线锚固要求时,宜采用锚固板锚固(图7.3.8-3)。 图7.3.8-2 预制柱及叠合梁框架 中间层端节点构造示意 1—后浇区;2—梁纵向受力钢筋锚固; 3—预制梁;4—预制柱
| |||||||||||||||||||||||||||||||||||||||||||||||||||||||||||||||||||||||||||||||||||||||||||||||||||||||||||||||||||||||||||||||
| 序号 | 审查项目 | 审查内容 | |||||||||||||||||||||||||||||||||||||||||||||||||||||||||||||||||||||||||||||||||||||||||||||||||||||||||||||||||||||||||||||||
| 3.6.5 | 接缝和节点 |
图7.3.8-3 预制柱及叠合梁框架顶层中节点构造示意 1—后浇区;2—梁下部纵向受力钢筋连接; 3—预制梁;4—梁下部纵向受力钢筋锚固
4 对框架顶层端节点,梁下部纵向受力钢筋应锚固在后浇节点区内,且宜采用锚固板的锚固方式;梁、柱其他纵向受力钢筋的锚固应符合下列规定: 1)柱宜伸出屋面并将柱纵向受力钢筋锚固在伸出段内(图7. 3. 8-4a),伸出段长度不宜小于500mm,伸出段内箍筋间距不应大于5d(d为柱纵向受力钢筋直径),且不应大于100mm;柱纵向钢筋宜采用锚固板锚固, 锚固长度不应小于40d;梁上部纵向受力钢筋宜采用锚固板锚固; 2)柱外侧纵向受力钢筋也可与梁上部纵向受力钢筋在后浇节点区搭接(图7.3.8-4b),其构造要求应符合现行国家标准《混凝土结构设计规范》GB50010中的规定;柱内侧纵向受力钢筋宜采用锚固板锚固。 图7.3.8-4 预制柱及叠合梁框架顶层端节点构造示意 1—后浇区;2—梁下部纵向受力钢筋锚固;3—预制梁; 4—柱延伸段;5—梁柱外侧钢筋搭接 | |||||||||||||||||||||||||||||||||||||||||||||||||||||||||||||||||||||||||||||||||||||||||||||||||||||||||||||||||||||||||||||||
| 3.7 | 剪力墙结构设计 | ||||||||||||||||||||||||||||||||||||||||||||||||||||||||||||||||||||||||||||||||||||||||||||||||||||||||||||||||||||||||||||||||
| 3.7.1 | 一般规定 | 5.2.3 剪力墙结构中不宜采用转角窗。 8.1.1 抗震设计时,对同一层内既有现浇墙肢也有预制墙肢的装配整体式剪力墙结构,现浇墙肢水平地震作用弯矩、剪力宜乘以不小于1.1的增大系数。
| |||||||||||||||||||||||||||||||||||||||||||||||||||||||||||||||||||||||||||||||||||||||||||||||||||||||||||||||||||||||||||||||
| 序号 | 审查项目 | 审查内容 | |||||||||||||||||||||||||||||||||||||||||||||||||||||||||||||||||||||||||||||||||||||||||||||||||||||||||||||||||||||||||||||||
| 3.7.2 | 连接构造 | 8.2.4 当采用套筒灌浆连接时,自套筒底部至套筒顶部并向上延伸300mm范围内,预制剪力墙的水平分布筋应加密(图 8.2.4),加密区水平分布筋的最大间距及最小直径应符合表8.2.4的规定,套筒上端第一道水平分布钢筋距离套筒顶部不应大于50mm。 图8.2.4 钢筋套筒灌浆连接部位 水平分布钢筋的加密构造示意 1—灌浆套筒;2—水平分布钢筋加密区域(阴影区域); 3—竖向钢筋;4—水平分布钢筋
表8.2.4 加密区水平分布钢筋的要求
8.2.6 当预制外墙采用夹心墙板时,应满足下列要求: 1 外叶墙板厚度不应小于50mm,且外叶墙板应与内叶墙板可靠连接; 2 夹心外墙板的夹层厚度不宜大于120mm; 3 作为承重墙时,内叶墙板应按剪力墙进行设计。 8.3.1 楼层内相邻预制剪力墙之间应采用整体式接缝连接,且应符合下列规定: 1 当接缝位于纵横墙交接处的约束边缘构件区域时,约束边缘构件的阴影区域(图8. 3.1-1)宜全部采用后浇混凝土,并应在后浇段内设置封闭箍筋。 2 当接缝位于纵横墙交接处的构造边缘构件区域时,构造边缘构件宜全部采用后浇混凝土(图8.3.1-2)。 | |||||||||||||||||||||||||||||||||||||||||||||||||||||||||||||||||||||||||||||||||||||||||||||||||||||||||||||||||||||||||||||||
| 序号 | 审查项目 | 审查内容 | |||||||||||||||||||||||||||||||||||||||||||||||||||||||||||||||||||||||||||||||||||||||||||||||||||||||||||||||||||||||||||||||
| 3.7.2 | 连接构造 |
| |||||||||||||||||||||||||||||||||||||||||||||||||||||||||||||||||||||||||||||||||||||||||||||||||||||||||||||||||||||||||||||||
序号 | 审查项目 | 审查内容 | |||||||||||||||||||||||||||||||||||||||||||||||||||||||||||||||||||||||||||||||||||||||||||||||||||||||||||||||||||||||||||||||
| 3.7.2 | 连接构造 | 4非边缘构件位置,相邻预制剪力墙之间应设置后浇段,后浇段的宽度不应小于墙厚且不宜小于200mm;后浇段内应设置不少于4根竖向钢筋,钢筋直径不应小于墙体竖向分布筋直径且不应小于8mm。
8.3.2 屋面以及立面收进的楼层,应在预制剪力墙顶部设置封闭的后浇钢筋混凝土圈梁(图8.3.2),并应符合下列规定: 1 圈梁截面宽度不应小于剪力墙的厚度,截面高度不宜小于楼板厚度及250mm的较大值;圈梁应与现浇或者叠合楼、屋盖浇筑成整体。 2 圈梁内配置的纵向钢筋不应少于4φ12,且按全截面计算的配筋率不应小于0.5%和水平分布筋配筋率的较大值,纵向钢筋竖向间距不应大于200mm;箍筋间距不应大于200mm,且直径不应小于8mm。 1—后浇混凝土叠合层;2—预制板;3—后浇圈梁;4—预制剪力墙
8.3.3 各层楼面位置,预制剪力墙顶部无后浇圈梁时,应设置连续的水平后浇带(图8. 3. 3);水平后浇带应符合下列规定: 1 水平后浇带宽度应取剪力墙的厚度,高度不应小于楼板厚度;水平后浇带应与现浇或者叠合楼、屋盖浇筑成整体。 2水平后浇带内应配置不少于2根连续纵向钢筋,其直径不宜小于12mm。 (a)端部节点 (b)中间节点 图8.3.3 水平后浇带构造示意 1—后浇混凝土叠合层;2—预制板;3—水平后浇带; 4—预制墙板;5—纵向钢筋
| |||||||||||||||||||||||||||||||||||||||||||||||||||||||||||||||||||||||||||||||||||||||||||||||||||||||||||||||||||||||||||||||
| 序号 | 审查项目 | 审查内容 | |||||||||||||||||||||||||||||||||||||||||||||||||||||||||||||||||||||||||||||||||||||||||||||||||||||||||||||||||||||||||||||||
| 3.7.2 | 连接构造 | 8.3.4 预制剪力墙底部接缝宜设置在楼面标高处,并应符合下列规定: 1接缝高度宜为20mm; 2接缝宜采用灌浆料填实; 3接缝处后浇混凝土上表面应设置粗糙面。 8.3.5 上下层预制剪力墙的竖向钢筋,当采用套筒灌浆连接和浆锚搭接连接时,应符合下列规定: 1 边缘构件竖向钢筋应逐根连接。 2 预制剪力墙的竖向分布钢筋,当仅部分连接时(图 8.3.5),被连接的同侧钢筋间距不应大于600mm,且在剪力墙构件承载力设计和分布钢筋配筋率计算中不得计入不连接的分布钢筋;不连接的竖向分布钢筋直径不应小于6mm。 3一级抗震等级剪力墙以及二、三级抗震等级底部加强部位,剪力墙的边缘构件竖向钢筋宜采用套筒灌浆连接。 图8.3.5 预制剪力墙竖向分布钢筋连接构造示意 1—不连接的竖向分布钢筋;2—连接的竖向分布钢筋;3—连接接头
8.3.12 当预制叠合连梁端部与预制剪力墙在平面内拼接时,接缝构造应符合下列规定: 1当墙端边缘构件采用后浇混凝土时,连梁纵向钢筋应在后浇段中可靠锚固(图8.3.12a)或连接(图8.3.12b); 2 当预制剪力墙端部上角预留局部后浇节点区时,连梁的纵向钢筋应在局部后浇节点区内可靠锚固(图8.3.12c)或连接(图 8.3.12d)。
| |||||||||||||||||||||||||||||||||||||||||||||||||||||||||||||||||||||||||||||||||||||||||||||||||||||||||||||||||||||||||||||||
| 序号 | 审查项目 | 审查内容 | |||||||||||||||||||||||||||||||||||||||||||||||||||||||||||||||||||||||||||||||||||||||||||||||||||||||||||||||||||||||||||||||
| 3.7.2 | 连接构造 |
(d) 预制连梁钢筋在预制剪力墙局部后浇节点区内与墙板预留钢筋连接构造示意 图8.3.12 同一平面内预制连梁与预制剪力墙连接构造示意 1—预制剪力墙;2—预制连梁;3—边缘构件箍筋; 4—连梁下部纵向受力钢筋锚固或连接 | |||||||||||||||||||||||||||||||||||||||||||||||||||||||||||||||||||||||||||||||||||||||||||||||||||||||||||||||||||||||||||||||
| 序号 | 审查项目 | 审查内容 | |||||||||||||||||||||||||||||||||||||||||||||||||||||||||||||||||||||||||||||||||||||||||||||||||||||||||||||||||||||||||||||||
| 3.7.3 | 接缝计算 | 8.3.7 在地震设计状况下,剪力墙水平接缝的受剪承载力设计值应按下式计算: =0.6+ 0.8N (8.3.7) 式中:——垂直穿过结合面的钢筋抗拉强度设计值; N ——与剪力设计值V相应的垂直于结合面的轴向力设计值,压力时取正,拉力时取负; ——垂直穿过结合面的抗剪钢筋面积。 8.3.14 应按本规程第7.2.2条的规定进行叠合连梁端部接缝的受剪承载力计算。 | |||||||||||||||||||||||||||||||||||||||||||||||||||||||||||||||||||||||||||||||||||||||||||||||||||||||||||||||||||||||||||||||
| 3.8 | 多层剪力墙结构设计 | ||||||||||||||||||||||||||||||||||||||||||||||||||||||||||||||||||||||||||||||||||||||||||||||||||||||||||||||||||||||||||||||||
| 3.8.1 | 一般规定 | 9.1.1 本章适用于6层及6层以下、建筑设防类别为丙类的装配式剪力墙结构设计。 编者注:条文中的“本章”,即JGJ 1-2014的第9章。 9.1.3 当房屋高度不大于10m且不超过3层时,预制剪力墙截面厚度不应小于120mm;当房屋超过3层时,预制剪力墙截面厚度不宜小于140mm。 9.1.4 当预制剪力墙截面厚度不小于140mm时,应配置双排双向分布钢筋网。剪力墙中水平及竖向分布筋的最小配筋率不应小于0.15%。 | |||||||||||||||||||||||||||||||||||||||||||||||||||||||||||||||||||||||||||||||||||||||||||||||||||||||||||||||||||||||||||||||
| 3.8.2 | 接缝计算 | 9.2.2(多层剪力墙结构)在地震设计状况下,预制剪力墙水平接缝的受剪承载力设计值应按下式计算: = 0.6 (9.2.2) 式中: ——垂直穿过结合面的钢筋抗拉强度设计值; N——与剪力设计值V相应的垂直于结合面的轴向力设计值,压力时取正,拉力时取负; ——垂直穿过结合面的抗剪钢筋面积。 | |||||||||||||||||||||||||||||||||||||||||||||||||||||||||||||||||||||||||||||||||||||||||||||||||||||||||||||||||||||||||||||||
| 3.8.3 | 连接构造 | 9.3.1 抗震等级为三级的多层装配式剪力墙结构,在预制剪力墙转角、纵横墙交接部位应设置后浇混凝土暗柱,并应符合下列规定: 1 后浇混凝土暗柱截面高度不宜小于墙厚,且不应小于 250mm,截面宽度可取墙厚(图9.3.1); 2 后浇混凝土暗柱内应配置竖向钢筋和箍筋,配筋应满足墙肢截面承载力的要求,并应满足表9.3.1的要求。
| |||||||||||||||||||||||||||||||||||||||||||||||||||||||||||||||||||||||||||||||||||||||||||||||||||||||||||||||||||||||||||||||
| 序号 | 审查项目 | 审查内容 | |||||||||||||||||||||||||||||||||||||||||||||||||||||||||||||||||||||||||||||||||||||||||||||||||||||||||||||||||||||||||||||||
| 3.8.3 | 连接构造 |
9.3.3 预制剪力墙水平接缝宜设置在楼面标高处,并应满足下列要求: 1接缝厚度宜为20mm。 2接缝处应设置连接节点,连接节点间距不宜大于1m;穿过接缝的连接钢筋数量应满足接缝受剪承载力的要求,且配筋率不应低于墙板竖向钢筋配筋率,连接钢筋直径不应小于14mm。 9.3.4 当房屋层数大于3层时,应符合下列规定: 1叠合板与预制剪力墙的连接应符合本规程第6. 6. 4条的规定; 2沿各层墙顶应设置水平后浇带,并应符合本规程第8.3.3条的规定; 3当抗震等级为三级时,应在屋面设置封闭的后浇钢筋混凝土圈梁,圈梁应符合本规程第8.3.2条的规定。 9.3.7 预制剪力墙与基础的连接应符合下列规定: 1基础顶面应设置现浇混凝土圈梁,圈梁上表面应设置粗糙面; 2预制剪力墙与圈梁顶面之间的接缝构造应符合本规程第9.3.3条的规定,连接钢筋应在基础中可靠锚固,且宜伸入到基础底部; 3剪力墙后浇暗柱和竖向接缝内的纵向钢筋应在基础中可靠锚固,且宜伸入到基础底部。
| |||||||||||||||||||||||||||||||||||||||||||||||||||||||||||||||||||||||||||||||||||||||||||||||||||||||||||||||||||||||||||||||
来源:中国建设报
