装配式建筑国家级标准开始征求意见了!(4月14日截止)
关于征求国家标准《装配式建筑评价标准(征求意见稿)》意见的函
建标工征[2017]24号
根据《住房城乡建设部标准定额司关于请开展<工业化建筑评价标准>修订工作的函》(建标标函[2016]164号)的要求,现征求由住房和城乡建设部科技与产业化发展中心牵头起草的国家标准《装配式建筑评价标准(征求意见稿)》(见附件)意见,请于2017年4月14日将意见和建议反馈第一起草单位住房和城乡建设部科技与产业化发展中心。
联系人:杜阳阳
联系电话:010-57811436
传 真:010-57811437
Email:bzxd201609@163.com
地址及邮编:北京市海淀区三里河路9号;邮编100835
附件:装配式建筑评价标准(征求意见稿)
中华人民共和国住房和城乡建设部标准定额司
2017年3月20日
█ 前 言
本标准是根据住房和城乡建设部标准定额司《关于同意修改<装配式建筑评价标准>内容框架的函》(建标标便[2016]74号)的要求,住房和城乡建设部科技与产业化发展中心(住房和城乡建设部住宅产业化促进中心)会同有关单位开展了国家标准《装配式建筑评价标准》的编制工作。
在编制过程中,标准编制组开展了广泛的调查研究,认真总结了《工业化建筑评价标准》GB/T 51129﹣2015的实施情况和实践经验,参考有关国家标准和国外先进标准,开展了多项专题研究,完成了本标准的征求意见稿。
本标准的主要技术内容包括:
1.总则;2.术语;3.基本规定;4.装配率计算;5.评价与等级划分。
本标准由住房和城乡建设部负责管理,由住房和城乡建设部科技与产业化发展中心(住房和城乡建设部住宅产业化促进中心)负责具体技术内容的解释。
欢迎各单位和个人对本标准(征求意见稿)提出宝贵意见和建议,以便编制组进一步修改完善。意见或建议请寄交:住房和城乡建设部住宅产业化促进中心(地址:北京市海淀区三里河路9号;邮编:100835,邮箱:pdzq2016@126.com)。
█ 本标准主要编制单位、主要起草人和主要审查人
主要编制单位:住房和城乡建设部科技与产业化发展中心(住房和城乡建设部住宅产业化促进中心)、中国建筑科学研究院、中建科技有限公司、北京市建筑设计研究院、中国建筑标准设计研究院、中国建筑设计研究院、中国中建设计集团有限公司、中建建筑工业化设计研究院、北京市住房和城乡建设科技促进中心、深圳市建设科技促进中心、北京市住建委住房保障办公室、北京市保障房建设投资中心、天津市房屋鉴定建筑设计院、深圳市华阳国际工程设计股份有限公司、深圳海龙建筑制品有限公司、上海现代建筑设计(集团)有限公司、南京工业大学、加拿大木业协会、华通设计顾问工程有限公司、河北新大地机电制造有限公司、北新房屋有限公司、北京和能人居科技有限公司(本排名不分先后)。
主要起草人:
主要审查人:
█ 目次
1、总则... 1
2、术语... 2
3、基本规定... 3
4、装配率计算... 4
5、评价与等级划分... 9
本标准用词说明... 10
引用标准名录... 11
附:条文说明... 12
█ 总则
1.0.1 为促进装配式建筑发展,规范装配式建筑评价,制定本标准。
1.0.2 本标准适用于民用建筑的装配化程度评价,工业建筑的装配化程度评价参照执行。
1.0.3 装配式建筑的装配化程度由装配率来衡量。构成装配率的衡量指标包括装配式建筑的承重结构、围护墙体和分隔墙体、装修与设备管线等部分的装配比例。
1.0.4 装配式建筑评价除符合本标准外,尚应符合国家现行有关标准的规定。
█ 术语
2.0.1 装配式建筑 prefabricated building
由预制部品部件在工地装配而成的建筑。装配式建筑包括装配式混凝土建筑、装配式钢结构建筑、装配式木结构建筑及各类装配式组合结构建筑等。
装配式建筑的承重结构主要由预制部品部件装配而成、围护和分隔墙体采用非砌筑方式,并实现全装修。
2.0.2 装配率 prefabrication ratio
单体建筑±0.000标高以上的承重结构、围护墙体和分隔墙体、装修与设备管线等采用预制部品部件的综合比例。
2.0.3 全装修 decorated
功能空间的固定面装修和设备设施安装全部完成,达到建筑使用功能和建筑性能的基本要求。
装配化装修是将工厂生产的部品部件在现场进行组合安装的装修方式,主要包括干式工法楼(地)面、集成厨房、集成卫生间、管线与结构分离等。
2.0.4 集成厨房 integrated kitchen
由工厂生产的厨房地面、吊顶、墙面、橱柜、厨房设备及管线等集成并主要采用干式工法装配完成的厨房。
2.0.5 集成卫生间 integrated bathroom
由工厂生产的卫生间地面、吊顶、墙板和洁具设备及管线等集成并主要采用干式工法装配完成的卫生间。
█ 基本规定
3.0.1 装配式建筑的装配率计算和评价应以单体建筑作为计算和评价单元,并应符合下列规定:
1、一般情况下,单体建筑应按项目规划批准文件的建筑编号确认;
2、对于主楼带有裙房的建筑项目,当裙房规模较大时,主楼和裙房可分别按不同的单体建筑进行计算和评价,主楼与裙房可按主楼标准层正投影范围确认分界;
3、对于层数为三层及以下,且地上建筑面积不超过500平方米的单栋建筑,可组成建筑组团共同作为计算和评价单元。
3.0.2 装配式建筑评价分为预评价和项目评价,并符合下列规定:
1、预评价宜在设计阶段按设计文件对装配率进行测算。
2、项目评价应在项目通过竣工验收后进行,并按照竣工验收资料和实际完成情况计算装配率和确定评价等级。
3.0.3 单体建筑需满足下列全部条件,才能被评定为装配式建筑。
1、柱、支撑、承重墙、延性墙板等竖向承重构件主要采用混凝土材料时,预制部品部件的应用比例不应低于50%;
2、柱、支撑、承重墙、延性墙板等竖向承重构件主要采用金属材料、木材及非水泥基复合材料时,竖向构件应全部采用预制部品部件;
3、楼(屋)盖构件中预制部品部件的应用比例不应低于70%;
4 外围护墙采用非砌筑类型墙体的应用比例不应低于80%;
5、内隔墙采用非砌筑类型墙体的应用比例不应低于50%;
6、采用全装修。
█ 装配率计算
4.0.1 装配式建筑的装配率应根据表4.0.1中评价项得分值,按下式计算:
式中:Q──装配式建筑的装配率;
Q1──承重结构构件指标实际得分值;
Q2──非承重构件指标实际得分值;
Q3──装修与设备管线指标实际得分值;
q──评价项目中缺少的评价项分值总和。
▼ 表4.0.1 装配式建筑评分计算表
| 评价项 | 评价要求 | 评价分值 | 最低分值 | ||
| 承重结构构件(Q1) (50分) | 柱、支撑、承重墙、延性墙板等竖向承重构件 | 主要为混凝土材料★ | 50%≤比例<80% | 30~39* | 30 |
| 比例≥80% | 40 | ||||
| 主要为金属材料、木材及非水泥基复合材料等★ | 全装配 | 40 | 40 | ||
| 楼(屋)盖构件 | 梁、板、楼梯、阳台、空调板等★ | 70%≤比例<80% | 5~9* | 5 | |
| 比例≥80% | 10 | ||||
| 非承重构件(Q2) (20分) | 外围护墙 | 非砌筑★ | 比例≥80% | 5 | 5 |
| 墙体与保温(隔热)、装饰一体化 | 50%≤比例<80% | 2~4* | ─ | ||
| 比例≥80% | 5 | ||||
| 内隔墙 | 非砌筑★ | 比例≥50% | 5 | 5 | |
| 墙体与管线、装修一体化 | 50%≤比例<80% | 2~4* | ─ | ||
| 比例≥80% | 5 | ||||
| 装修与设备管线(Q3) (30分) | 全装修★ | ─ | 5 | 5 | |
| 干式工法楼(地)面 | 比例≥70% | 6 | ─ | ||
| 集成卫生间 | 比例≥70% | 6 | ─ | ||
| 集成厨房 | 比例≥70% | 6 | ─ | ||
| 管线与结构分离 | 比例≥70% | 7 | ─ | ||
注:
1 、表中带“★”项为本标准第3.0.3条规定的内容,评价项目应满足该项的最低分值要求。
2 、表中带“*”项的分值采用“内插法”计算,计算结果取小数点后一位。
3 、建筑功能中缺少的评价项不得分,该项分值同时计入公式4.0.1中的q项。
4.0.2 竖向承重构件主要为混凝土材料时,预制部品部件的应用比例应根据预制部品部件及连接的混凝土体积按式4.0.2计算,并符合下列规定:
1 、对于剪力墙结构,预制剪力墙板之间的后浇段的尺寸满足图4.0.2所示要求时,该部分现浇混凝土可计入V1a中,预制剪力墙板布置区域的水平现浇带(圈梁)部分现浇混凝土可计入V1a中;
2 、对于框架结构,预制框架柱在梁柱节点区连接时,梁柱节点区的现浇混凝土可计入V1a,预制框架柱在柱身范围内连接时,连接区长度尺寸不大于柱截面宽度和高度的较小值时,连接区现浇混凝土可计入V1a中。
Q1a =V1a/V×100%
式中:Q1a──竖向承重构件中采用混凝土预制部品部件的应用比例;
V1a── 建筑±0.000标高以上,竖向承重构件中列入装配方式计算的预制混凝土和现浇混凝土体积之和;
V ──建筑±0.000标高以上,竖向承重构件混凝土总体积。
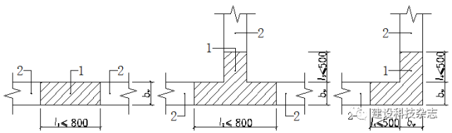
▲ 预制剪力墙板间后浇段现浇混凝土计入装配的允许尺寸示意图
(a)一字型连接(b)T型连接(c)L型连接
l1、l2、l3、l4表示现浇混凝土后浇带长度;bw表示现浇混凝土后浇带厚度
1—后浇段;2—预制剪力墙板
4.0.3 楼(屋)盖结构应用预制部品部件的比例应根据预制部品部件的覆盖面积按式4.0.3计算,并符合下列规定:
1 、混凝土结构可采用叠合楼(屋)盖、预制楼(屋)盖等结构形式;在叠合楼(屋)盖结构中,预制底板采用整体式拼缝的宽度尺寸不大于400mm时,该部分的投影面积可计入A1b中;
2 、其他结构可采用叠合楼(屋)盖、预制楼(屋)盖、木楼(屋)盖及其他能实现施工现场免支模的形式。
Q1b =A1b/A×100%
式中:Q1b──楼(屋)盖结构中采用预制部品部件的应用比例;
A1b──建筑±0.000标高以上,各楼层预制楼(屋)盖的水平投影面积之和;
A──建筑±0.000标高以上,各楼层建筑平面面积之和。
4.0.4 外围护墙应用非砌筑墙体的比例应根据其外表面积按式4.0.4计算:
Q2a =A2a/Awq×100%
式中:Q2a──外围护墙中采用非砌筑墙体的应用比例;
A2a──建筑±0.000标高以上,各楼层外围护墙采用非砌筑墙体的外表面积之和,计算时可不扣除门、窗及窗及预留洞口等的面积。
4.0.5 外围护墙应用墙体与保温(隔热)、装饰一体化技术的比例应根据其外表面积按式4.0.5计算:
Q2b =A2b/Awq×100%
式中:Q2b── 外围护墙采用墙体与保温(隔热)、装饰一体化墙体的应用比例;
A2b──建筑±0.000标高以上,各楼层外围护墙采用墙体与保温(隔热)、装饰一体化墙体的外表面积之和,计算时可不扣除门、窗及预留洞口等的面积。
Awq──建筑±0.000标高以上,各楼层外围护墙外表面积之和,计算时可不扣除门、窗及预留洞口等的面积。
4.0.6 内隔墙应用非砌筑墙体的比例应根据其表面积按式
4.0.6 计算:
Q2c=A2c/Anq×100%
式中:Q2c──内隔墙采用非砌筑做法的应用比例;
A2c──建筑±0.000标高以上,各楼层内隔墙采用非砌筑做法墙体的表面积之和,计算时可不扣除门、窗及预留洞口等的面积;
Anq──建筑±0.000标高以上,各楼层内隔墙表面积之和,计算时可不扣除门、窗及预留洞口等的面积。
4.0.7 内隔墙应用墙体与管线、装修一体化技术的比例应根据其表面积按式4.0.7 计算:
Q2d =A2d/Anq×100%
式中:Q2d──内隔墙采用墙体与管线、装修一体化墙体的应用比例;
A2d──建筑±0.000标高以上,各楼层内隔墙采用墙体与管线、装修一体化墙体的表面积之和,计算时可不扣除门、窗及预留洞口等的面积。
Anq──建筑±0.000标高以上,各楼层内隔墙表面积之和,计算时可不扣除门、窗及预留洞口等的面积。
4.0.8 干式工法楼(地)面的应用比例应根据其覆盖面积按式4.0.8计算:
Q3a=A3a/A×100%
式中:Q3a──干式工法楼(地)面的应用比例;
A3a──建筑±0.000标高以上,各楼层采用干式工法的楼(地)面水平投影面积之和。
A──建筑±0.000标高以上,各楼层建筑平面面积之和。
4.0.9 集成厨房和卫生间的应用比例应按使用集成厨房和卫生间的个数与厨房和卫生间总数量的比值计算,集成厨房和卫生间应符合下列规定:
1、在厨房中,墙面、顶面及地面采用干式工法的面积之和与其墙面、顶面及地面总面积之比大于70%,且橱柜和厨房设备等全部安装就位时,可认定为集成厨房。
2、在卫生间中,墙面、顶面及地面采用干式工法的面积之和与其墙面、顶面及地面总面积之比大于70%,且洁具设备等全部安装就位时,可认定为集成卫生间。
4.0.10 管线与结构分离的应用比例应根据纳入计算的专业管线长度按式4.0.10计算,并符合下列规定:
1、纳入管线计算的专业应包括电气(强电、弱点、通信等)、给(排)水和采暖等;
2、敷设于地面架空层、非承重墙体空腔和吊顶内的管线可认定为管线与结构分离,敷设于结构构件内部(不含横穿)或埋置于湿作业地面垫层内的管线应认定为管线与结构未分离;
3、管线计算范围应取楼层或单元公共管道井之外的管线长度。
Q3b =(L1+L2+L3)/L×100%
式中:Q3b──管线与结构分离的应用比例;
L1──建筑±0.000标高以上,各楼层电气专业实施管线与结构分离的管线长度;
L2──建筑±0.000标高以上,各楼层给(排)水专业实施管线与结构分离的管线长度;
L3──建筑±0.000标高以上,各楼层采暖专业实施管线与结构分离的管线长度;
L──建筑±0.000标高以上,各楼层参与计算管线类型的总长度。
█ 评价与等级划分
1、5.0.1 竖向承重构件主要采用混凝土材料的单体建筑,当满足本标准第3.0.3条全部要求,且装配率不小于50%时,应评价为装配式建筑;竖向承重构件主要采用金属材料、木材及非水泥基复合材料的单体建筑,当满足第3.0.3条全部要求,且装配率不小于60%时,应评价为装配式建筑。
2、5.0.2 装配式建筑评价结果应划分为A级、AA级、AAA级,并应符合下列规定:
(1) 装配率达到60%~75%时,评价为A级装配式建筑;
(2) 装配率达到76%~90%时,评价为AA级装配式建筑;
(3)装配率达到91%及以上时,评价为AAA级装配式建筑。
█ 本标准用词说明
为便于在执行本标准条文时区别对待,对要求严格程度不同的用词说明如下:
1)表示很严格,非这样做不可的:
正面词采用“必须”,反面词采用“严禁”;
2)表示严格,在正常情况下均应这样做的:
正面词采用“应”,反面词采用“不应”或“不得”;
3)表示允许稍有选择,在条件许可时首先应这样做的:
正面词采用“宜”,反面词采用“不宜”;
4)表示有选择,在一定条件下可以这样做的,采用“可”。
中华人民共和国国家标准
装配式建筑评价标准
GB/T XXXXX-201X
条文说明
制订说明
本标准编制过程中,编制组针对装配式混凝土建筑、装配式钢结构建筑和装配式木结构建筑开展了广泛的项目调研与技术交流,总结了近年来的实践经验,参考了国内外相关技术标准,开展了试评价工作,完成了本标准的征求意见稿。
为便于广大设计、施工、科研、学校等单位有关人员在使用本标准时能正确理解和执行条文规定,《装配式建筑评价标准》编制组按章、节、条顺序编制了本标准的条文说明,对条文规定的目的、依据以及执行中需要注意的事项进行了说明。但是,本条文说明不具备与标准正文同等的法律效力,仅供使用者作为理解和把握标准规定的参考。
█ 目 次
1、总则... 15
2、术语... 16
3、基本规定... 17
█ 总则
1.0.1 《中共中央国务院关于进一步加强城市规划建设管理工作的若干意见》、国务院办公厅《关于大力发展装配式建筑的指导意见》明确提出发展装配式建筑,装配式建筑进入快速发展阶段。为推进装配式建筑健康发展,亟需构建一套适合我国国情的装配式建筑评价体系,对其实施科学、统一、规范的评价。
按照“立足当前实际,适度面向发展,简化评价操作”本标准主要从建造方式、基本性能、使用功能等方面提出装配式建筑评价方法和指标体系。评价内容和方法结合了目前工程建设整体发展水平,并兼顾了远期发展目标及各地区的自主创新空间。设定的评价指标具有科学性、先进性、系统性、导向性和可操作性。
本标准体现了现阶段装配式建筑发展的重点推进方向:(1)主体结构由预制部品部件运用向结构整体装配转变;(2)装饰装修与主体结构的一体化发展,鼓励装配化装修方式;(3)部品部件的标准化应用和产品集成。
1.0.2 本标准适用于采用装配方式建造的民用建筑评价,包括居住建筑和公共建筑。当前我国的装配式建筑发展以居住建筑为重点,但考虑到公共建筑建设总量较大,标准化程度较高,适宜装配式建造,因此本标准的评价范围涵盖了全部民用建筑。
同时,本标准规定对于一些与民用建筑相似的单层和多层厂房等工业建筑,如精密加工厂房、洁净车间等,当符合本标准的评价原则时,可参照执行。
1.0.4 符合国家法律法规和有关标准是装配式建筑评价的前提条件。本标准主要针对装配式建筑的装配化程度和水平进行评价,涉及质量、安全、防灾等方面内容,还应符合我国现行有关工程建设标准的规定。
█ 术语
2.0.1 装配式建筑是一个系统工程,是将预制部品部件通过系统集成的方法在工地装配,实现建筑主要承重结构预制,围护墙体和分隔墙体非砌筑并全装修的建筑,主要包括装配式混凝土建筑、装配式钢结构建筑、装配式木结构建筑等。
2.0.4 集成厨房多指居住建筑中的厨房,本条强调了厨房的“集成性”和“功能性”。集成厨房是装配式建筑装饰装修的重要组成部分,其设计应按照标准化、系列化原则,并符合干式工法施工的要求,在制作和加工阶段全部实现装配化。
2.0.5 集成卫生间充分考虑卫生间空间的多样组合或分隔,包括多器具的集成卫生间产品和仅有洗面、洗浴或便溺等单一功能模块的集成卫生间产品。集成卫生间是装配式建筑装饰装修的重要组成部分,其设计应按照标准化、系列化原则,并符合干式工法施工的要求,在制作和加工阶段全部实现装配化。
█ 基本规定
3.0.1 以单体建筑作为装配式建筑装配率计算和评价单元,主要基于单体建筑可构成整个建筑活动的工作单元和产品,能全面、系统地反映装配式建筑的特点,具有通用性和可操作性。
3.0.2 为保证装配式建筑评价质量和效果,切实发挥评价工作的指导作用,装配式建筑评价分为预评价和项目评价。预评价宜在设计阶段进行,主要目的是促进装配式建筑设计理念尽早融入到项目实施中。如果预评价结果满足控制项要求,评价项目可结合预评价过程中发现的不足,通过调整和优化设计方案,进一步提高装配化水平;如果预评价结果不满足控制项要求,评价项目应通过调整和修改设计方案使其满足要求。评价项目应通过工程竣工验收后再进行项目评价,并以此评价结果作为项目最终评价结果。
3.0.3 本条规定是装配式建筑评价的基本要求和必要条件。当评价项目满足本本条规定的全部内容时,应评价为装配式建筑,反之,若其中有一条内容不满足要求,则该项目不应评价为装配式建筑。条文说明如下:
目前,我国装配式建筑中主体结构应用及发展的主要类型包括:混凝土结构、钢结构、木结构、组合结构(包括钢-混凝土、钢-木及混凝土-木组合结构)等。其中,混凝土结构中又包括装配整体式混凝土结构和全装配式混凝土结构等类型。在各个结构类型中,针对混凝土部件而言,又区分为预制混凝土部件和现浇混凝土(独立结构部件和预制部品部件之间的水平或竖向连接区段等)。
主体结构装配的主要目标:一是要充分发挥预制部品部件的高质量,实现建筑标准的提高;二是要充分发挥现场装配的高效率,实现建造综合效益的提高;三是要通过预制部品部件装配的方式,促进建造方式的转变。因此,本标准提出了“装配式建筑承重结构应主要由预制部品部件装配而成”的要求,并针对不同的主体结构类型,按照竖向承重构件和楼(屋)盖构件分别给出了最低装配比例的规定。预制部品部件的装配比例计算方法应按照本标准4.0.2条和4.0.3条给出的计算公式和说明执行。
需要明确的是,针对竖向承重构件中预制部品部件装配比例的规定是按下述原则进行分类:
1、所有类型的装配式钢筋混凝土结构以及装配式劲性混凝土结构、装配式预应力混凝土结构等的竖向承重构件,其预制部品部件的应用比例应符合本条第1款的要求;
2 、钢结构、木结构、钢管(柱或墙)混凝土结构中的竖向承重构件,其预制部品部件的装配比例应符合本条第2款的要求;组合结构(钢-混凝土、钢-木及混凝土-木组合结构)中混凝土部分采用现浇时,竖向承重构件中预制部品部件的装配比例应符合本条第2款的要求。
需要说明的是,目前纳入到国家、行业和地方主要标准中的装配式结构类型尚不够丰富。比如,在钢筋混凝土框架-剪力墙结构中,剪力墙是需要采用“现浇”的;在钢-混组合结构中,混凝土部分也是需要采用“现浇”的等等。装配式建筑的技术体系正处于快速发展期,新型装配式结构类型会不断涌现。为了适应发展的需求,本标准将“立足现有标准,适度面向发展,简化评价操作”作为编制的基本原则之一。对竖向承重构件中预制部品部件的装配比例是按照实施装配的主要部品部件类型进行计算和统计的。对于超出现行有关标准要求的结构类型,可按照本标准“设计阶段预评价”的相关内容执行。
4、新型建筑墙体的应用对提高建筑质量和品质、改变建造方式等都具有重要意义,积极引导和逐步推广新型建筑墙体也是装配式建筑的重点工作。非砌筑是新型建筑墙体的共同特征之一,本标准将外围护墙和内隔墙采用非砌筑类型墙体作为装配式建筑评价的控制项,也是为了推动其更好地发展。非砌筑类型墙体包括采用各种中大型板材、幕墙、木材及复合材料的成品或半成品复合墙体等,满足工厂生产、现场安装、以“干法”施工为主的要求。其应用比例的计算方法是按照墙体表面积计算,本标准4.0.4条和4.0.6条分别给出了计算公式和说明。
本标准对外围护墙和内隔墙采用非砌筑墙体分别给出了80%和50%的最低应用比例的规定,一是综合考虑了各种民用建筑的功能需求和装配式建筑工程实践中的成熟经验;二是按照适度提高标准,具体措施切实可行的原则。
6、发展建筑全装修是实现建筑标准提升的重要内容之一。不同建筑类型的全装修内容和要求可能是不同的。对于居住、教育、医疗等建筑类型,在设计阶段即可明确建筑功能空间对使用和性能的要求及标准,应在建造阶段实现全装修。对于办公、商业等建筑类型,其建筑的部分功能空间对使用和性能的要求及标准等,需要根据承租方的要求进行确定时,应在建筑公共区域等非承租部分实施全装修,并对实施“二次装修”的方式、范围、内容等做出明确规定;评价时可结合两部分内容进行。
来源:住房和城乡建设部
